English
繁體版
Español
HI! 訪客!
登入
註冊
線上服務
+886-3-319-3642~9
線上服務
03-319-3642~9
關於我們
最新消息
最新消息
展覽規劃
通過認證
最新資訊
設變通報
新產品
產品資訊
全部
高壓 & 新能源
E-Type 節能型電磁閥
調理元件
控制元件
執行元件
二口閥
其他元件 & 客製專區
動態展示
停產資訊
下載專區
安全須知
聯絡我們
人才招募
產品資訊
高壓 & 新能源
E-Type 節能型電磁閥
調理元件
控制元件
執行元件
二口閥
其他元件 & 客製專區
動態展示
停產資訊
RSS
產品
訊息
訂閱電子報
訂閱
首頁
/
產品資訊
/
調理元件
/
UH高壓系列
/
1-8-2
SHAKO FB 粉絲專頁
新推出 E-TPYE 節能型電磁閥系列
新推出 高壓&新能源系列
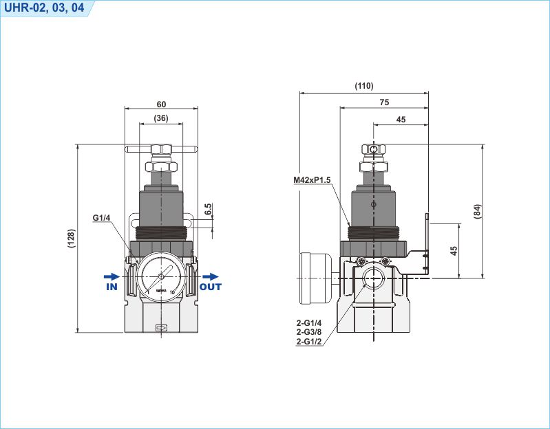
UHR 高壓型調壓閥
點小圖放大圖
產品名稱 : UHR 高壓型調壓閥
回上一頁
調壓範圍0 ~ 20 kgf/cm²
壓力調整簡單精準
標配:不鏽鋼充油壓力錶,壓力顯示更穩定
訂購代號
產品規格
產品尺寸
PDF 下載
工程符號