PJ PIN CYLINDER
    Enlargement
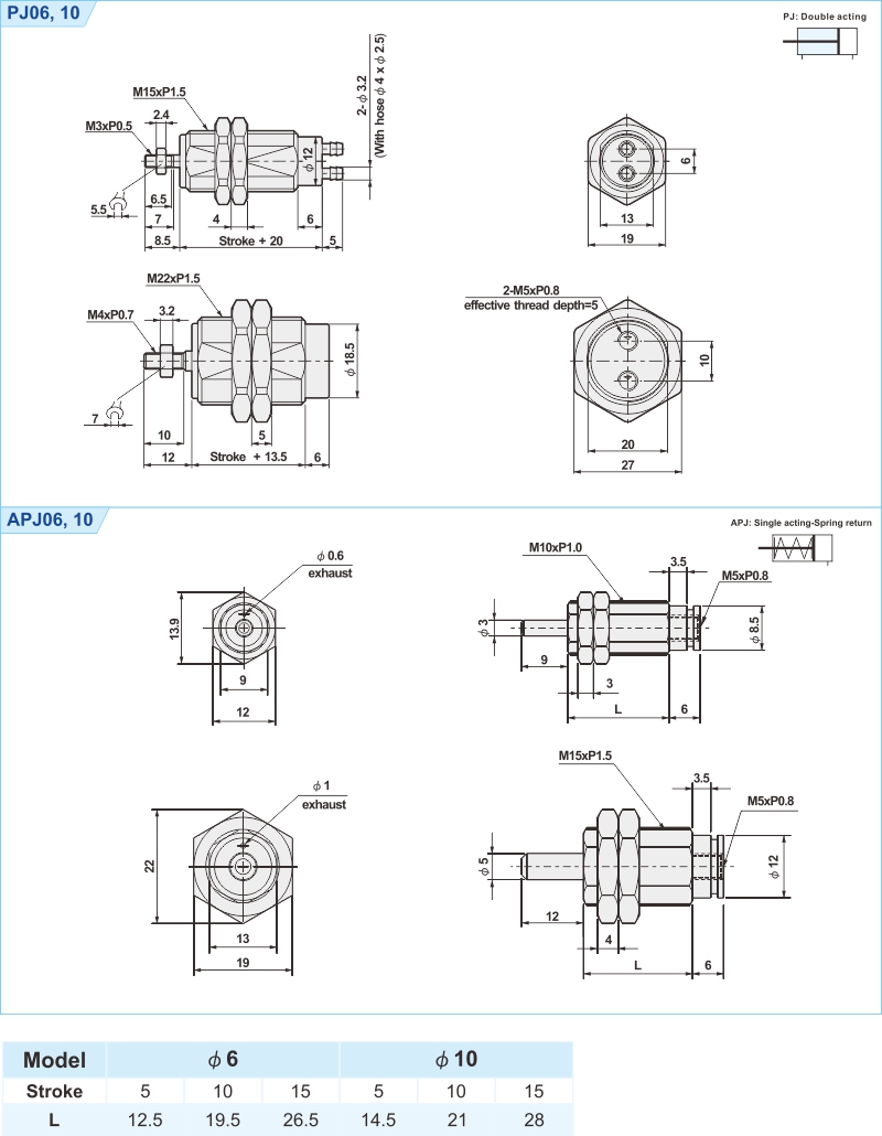
    Product Name : PJ PIN CYLINDER

     

    • Miniature size; short length; efficiently reduce installation space.
    • Full thread design on cylinder body; suitable for panel mounting and plug mounting.

     

    proimages/2_2020_en/3/1_How_to_order/PJ.jpg

     

    proimages/2_2020_en/3/2_specifications/PJ.jpg

     

    proimages/2_2020_en/3/3_Dimensions/PJ.jpg

     

      proimages/image/PDF(72x72).jpg       

     (registered visitor) download CAD model or email CAD model is allowed.

     (non-registered visitor) download CAD model or email CAD model is not allowed.

    Attentions:

    • The access to see 2D/3D CAD model without registration.
    • Please assure the model number and specification for requested product before download CAD model.
    • Please check if the dimensions and tolerance of CAD model is identical with the catalogue in PDF. Please contact your sales for any difference.
    • For any dimension not available to see on CAD model, please contact your sales.
    • After choosing the model number and specification, please click ¨CAD download¨ to tick the format of file you need →Start download →   Start download → download.
    • The direction in video for 2D/3D download. 
    • Registration step description.